SLP5130-SW
    内压防爆型行程开关-弹簧线圈型 SLP5130-SW 铝合金 外壳
SLP5130S-SW 青铜 外壳
 
  • 螺旋弹簧的Actuator在 360˚ 范围内可以动作的产品,限位块的形态或运动不均一时方便使用
  • 采用2重弹簧回复系统,在长时间保持开关ON状态发挥稳定的动作特性
  • 在外部使用的螺栓和螺母使用不锈钢材料优秀耐腐蚀性
  • SLP5130S-SW 型是青铜外壳产品,优秀耐腐蚀性
  • 适合用于石油化学成套设备、火药工厂、油船等易燃易爆的危险场所的安全开关 
  • 身体标准颜色 :  SLP5130 - MUNSELL NO. 5.0 , SLP5130S - MUNSELL NO 7.5BG 7/2 
  • 材质 : 身体-5130-SW : DIECAST AL, 5130S-SW : CAST BRASS, 螺丝, 螺旋弹簧-不锈钢
  • 保护构造 : 内压防爆( ExdⅡCT6) , 防水防尘(IP67) 构造
  • 技术认证 : KIMM, KOSHA
  • 耐寒型(-40℃~+40℃)和耐热型(+5℃~+120℃)可以定做提供
产品规格
保护构造
IP67
机械的寿命
100万次 以上
电气的寿命
10万次 以上
容许动作频率
机械的
120次/分
电气的
30次/分
绝缘电阻
100MΩ 以上(在DC 500V)
接触电阻
25mΩ 以下
内电压
非连续端子间
AC1000V (50/60Hz 1分钟)
格端子和非充电金属部间
AC2000V (50/60Hz 1分钟)
耐冲击
耐久
约1000m/s²(100G)
吴动作
约250m/s²(25G)
震动
10-55Hz 振幅 1.5mm
环境温度
- 10~+70℃
环境温度
动作特性
PT
20±10mm
O.F max.N
150
重量
SLP5130-SW
约 0.65 Kg
SLP5130S-SW
约 1.60 Kg
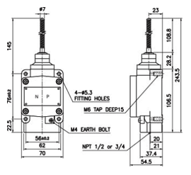
外形图
  • 1.上面尺寸中没有指定的部分尺寸公差是±0.4mm。
  • 2.本产品是内压防爆型产品。接线电路时必须使用内压防爆型填料函保持安全性。
  • 3.没使用防水用接头或填料函的状态,在室外临时设置时,利用产品出库时安装的防水头套保持安全性。
  • 4.电缆线引入口制作PF1/2的标准尺寸, NPT3/4 尺寸可以定做。
  • 额定
    额定电压(V) 无诱导负荷(A) 诱导负荷(A)
    电阻负荷 指示灯负荷 诱导负荷 电动机负荷
    常时
    闭路
    常时
    开路
    常时
    闭路
    常时
    开路
    常时
    闭路
    常时
    开路
    常时
    闭路
    常时
    开路
    AC 125 10 3 1.5 10 5 2.5
    250 6 2 1 10 3 1.5
    480 2 1.5 0.8 3 1.5 0.8
    DC 8 10 6 3 6 6
    14 10 6 3 6 6
    30 6 4 3 4 4
    125 0.8 0..2 0.2 0.8 0.2
    250 0.4 0.1 0.1 0.4 0.1
    线路构成
    接点
    2CKT-DB(2电路双端)
    初始电流
    常时闭路
    最大 20A
    常时开路
    最大 10A
    环境温度
    -10~+70℃(但,不冻的)
    环境温度
    95%RH 以下
    *注) 1.表格上的述职表示正常电流。 2.诱导负荷是力率 0.4以上(交流), 时定数 7ms 以下(直流) 3.指示灯负荷表示带10倍的初始电流 4.电动机负荷电流表示带6倍的初始电流

    地址:上海市宝山区宝林八村101号友谊商务中心313-317室
    工厂:上海市宝山区南大路19号五幢3-4层  E-mail:info@shyz.cc

    COPYRIGHT 2011 © SHYZCC INDUSTRIES. ALL RIGHTS RESERVED.
    Powered by PageAdmin CMS