单层信号灯,可以传达2-3个颜色的LED信号
| LB18 | LW18 | SCREW & NUT | SL18 | SZ18A |
|---|---|---|---|---|
![]() |
![]() |
![]() |
![]() |
![]() |
| 型号 | 颜色数 | 电压 | 电流 | 重量 | 颜色 |
|---|---|---|---|---|---|
|
STC45L |
2 | DC24V | 0.29Kg | ||
| 3 | 0.29Kg |
| 名 称 | 频道 | 视听 | 音量 |
|---|---|---|---|
| 蜂鸣器 1音 | PI~PI~PI~连续音 | MAX 90dB | |
| 蜂鸣器 2音 (定做) |
PI~PI~PI~连续音 PI-PI-PI 断续音 |
|
MAX 90dB |
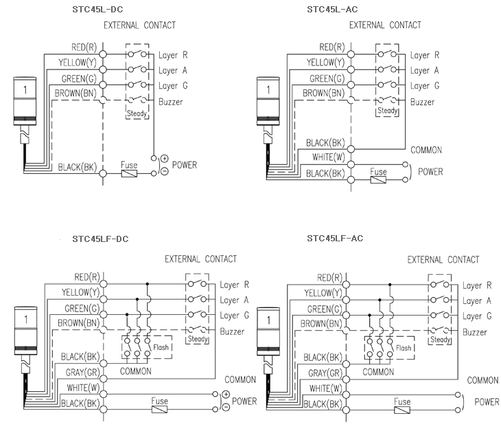
DC 长亮型产品
AC长亮型, AC/DC 长亮/闪亮型产品

| EX)STC45L | -(BZ) | -3 | -24 | -RAG | -SZ18 |
|---|---|---|---|---|---|
| 型号 | 蜂鸣器 | 颜色数 | 电压 | 颜色 | 支架 |
| STC45L STC45LF |
无指定(None) 标准型 BZ指定(Order) 内装蜂鸣器型 |
2-2色 3-3色 |
12-DC12V 24-DC24V 110-AC110V 220-AC220V |
无指定-标准型 LB18 LW18 SZ18 SL18 |
![]() |
地址:上海市宝山区宝林八村101号友谊商务中心313-317室 |
COPYRIGHT 2011 © SHYZCC INDUSTRIES. ALL RIGHTS RESERVED. |