QEB 防爆 螺线管盒子
内压防爆 螺线管盒子
  • 铝合金外壳,耐久力和耐蚀性优秀的内压防爆型产品
  • 保护等级IP66的防水、防尘产品,在振动和冲击较大的环境下发挥优秀的性能 
  • 适合用于船舶用、石油化学成套设备、煤气设备等危险的场所
  • 工作空气压力 : 5~7 Kg/㎠
  • 标准颜色 : MUNSELL NO. 7.5BG 7/2
  • 材质 : 身体-AL, 盖子-AL
  • 防爆认证 : KIMM
  • 保护等级 : Ex  dⅡC T6, IP66
  • 产品图片是安装防爆填料函的产品,安装防爆填料函型可以定做
产品规格
型号 电压 电流 重量
QEB DC24V 0.440A 2.5Kg
AC110V 0.100A
AC220V 0.050A
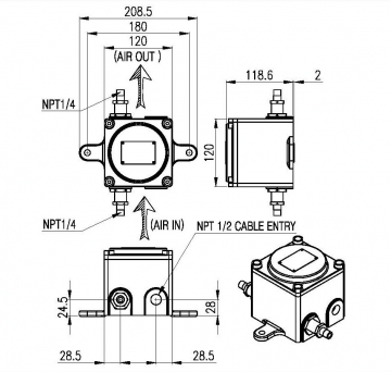
外形图
资料下载 PDF产品目录

电源线 引入口(CABLE ENTRY)

  • 电源线 处理 : 使用防爆填料函
  • 电源线 引入口 规格:NPT 1/2
  • 两方向2个引入口和引入口规格 NPT 3/4的产品可以定做

接线方法

  • AC 电源产品 : 不用分正负极
  • DC 电源产品:黑色线端子连接在负极(-)
EX)QEB -24
型号 电压
QEB 24-DC24V 
110-AC110V 
220-AC220V

地址:上海市宝山区宝林八村101号友谊商务中心313-317室
工厂:上海市宝山区南大路19号五幢3-4层  E-mail:info@shyz.cc

COPYRIGHT 2011 © SHYZCC INDUSTRIES. ALL RIGHTS RESERVED.
Powered by PageAdmin CMS