SH2 重负荷 灯泡 反射镜旋转 警示灯
Ø150mm
     Ø150mm 大型重负荷、船舶用 灯泡 反射镜旋转 警示灯
  • 灯泡反射镜旋转型
  • 内装可以调节速度的旋钮
    转速 : 120~140RPM
  • 可加装金属保护网
  • 底座标准颜色 : MUNSELL NO. 7.5BG 7/2
  • 材质 : 灯罩-PC, 身体-DIECAST Al, 保护网-SUS316L
  • 灯罩颜色 : 红-R 黄-A 绿-G 蓝-B
  • 技术认证 : CE, KIMM, ABS
  • 保护等级 : IP56
  • 此款产品可按客户需求加装保护网,标准型产品不包含保护网
  • 图片的产品安装防水接头,安装船舶用填料函的产品可以定做
  • 可定做耐腐蚀性的青铜底座
产品规格
型号 电压 电流 灯泡 重量 颜色
SH2 DC12V 1.170A 12V15W G23 15S 17 1.38Kg 红-R
黄-A
绿-G 
蓝-B
DC24V 0.510A 24V15W G23 15S 18 1.38Kg
AC110V 0.145A 12V15W G23 15S 17 1.77Kg
AC220V 0.073A 12V15W G23 15S 17 1.77Kg 
  • 不包括保护网(0.25Kg)的SH2重量。
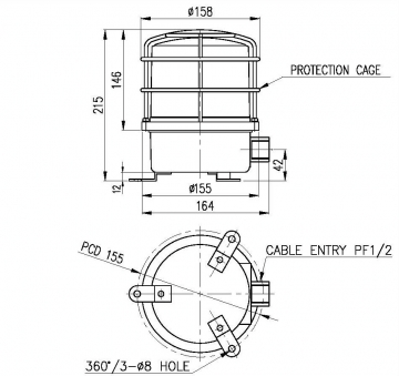
外形图
资料下载 PDF产品目录

电源线 引入口(CABLE ENTRY)

  • 使用防水接头或者船舶用填料函
  • 电源线 引入口 规格 : PF 1/2
  • 引入口 PF 3/4 规格可以定做

 

接线方法

  • AC 电源产品 : 不用分正负极
  • DC 电源产品 : 在黑色线端子连接负极(-)
EX)SH2 -220 -R -(P)
型号 电压 颜色 保护网
SH2 12-DC12V
24-DC24V
110-AC110V
220-AC220V
R-红
A-黄
G-绿
B-蓝
无指定(None)
无带保护网的产品 

P指定(Order) 
带保护网的产品

地址:上海市宝山区宝林八村101号友谊商务中心313-317室
工厂:上海市宝山区南大路19号五幢3-4层  E-mail:info@shyz.cc

COPYRIGHT 2011 © SHYZCC INDUSTRIES. ALL RIGHTS RESERVED.
Powered by PageAdmin CMS