SNELR 防爆型 LED 反射镜旋转 警示灯
Ø100mm
    特许认证LED反射镜旋转型防爆产品
  • LED 反射镜 旋转型 内压防爆 警示灯
  • 铝合金底座,经久耐用
  • 适合用于石油化学成套设备、火药工厂、煤气设备等易燃易爆的危险场所
  • 内装旋转速度调节可变电阻
  • 灯罩颜色 : 红-R 黄-A 绿-G 蓝-B
  • 旋转速递 : 120~140RPM(可以调节)
  • 底座标准颜色 : MUNSELL NO : 7.5 BG 7/2
  • 材质 : 内部灯罩-PC, 身体-DIECAST Al, 反射镜-耐热性 ABS
    灯罩-防爆钢化玻璃, 保护网-SUS316L
  • 技术认证 : KIMM
  • 保护等级 : Ex d ⅡC T6, IP66
产品规格
型号 电压 电流 重量 旋转速度 颜色
SNE-LR DC12V 0.360A 3.15Kg 120~140RPM 红-R
黄-A
绿-G 
蓝-B
DC24V 0.180A
AC110V 0.074A 3.85Kg
AC220V 0.037A
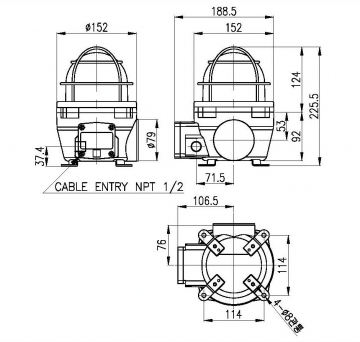
外形图
资料下载 PDF产品目录 电源线 引入口(CABLE ENTRY)
  • 电源线 处理 : 使用防爆填料函
  • 电源线 引入口 规格 : NPT 1/2
  • 引入口 NPT 3/4 尺寸可以定做

接线方法
  • AC 电源产品 : 不用分正负极
  • DC 电源产品 : 黑色线端子连接在负极(-)
EX)SNELR -24 -R
型号 电压 颜色
SNELR 12-DC12V
24-DC24V
110-AC110V
220-AC220V
R-红
A-黄
G-绿
B-蓝

地址:上海市宝山区宝林八村101号友谊商务中心313-317室
工厂:上海市宝山区南大路19号五幢3-4层  E-mail:info@shyz.cc

COPYRIGHT 2011 © SHYZCC INDUSTRIES. ALL RIGHTS RESERVED.
Powered by PageAdmin CMS