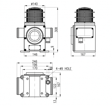
轻巧的外壳材质提高密闭性和耐久性的新概念船舶、重负荷产品(自立型)
| 型号 | 内装音 | 电压 | 电流 | 重量 | 闪亮次数 | 颜色 |
|---|---|---|---|---|---|---|
|
SCDFS |
WS-警告音 5音 WP-特殊警告音 5音 WM-音乐音 5音 WA-警报音 5音 WV-声音信号 3频道 |
DC12V |
1.295A
|
2.46Kg
|
60~80/min.
|
|
| DC24V |
1.052A
|
|||||
| AC110V |
0.233A
|
3.85Kg
|
||||
| AC220V |
0.111A
|
| 代号 | 名 称 | 频道 | 频道 | 视听 | 音量 |
|---|---|---|---|---|---|
| WS | 警告音 5音 | 火灾 A-ANG(火災)音 紧急 WA-U(緊急)音 急救 PI-PO(救急)音 断续音 High-Expansion Foam Release |
MAX 118dB | ||
| WP | 特殊警告音 5音 | 火灾 A-ANG(火災)音 紧急电令音 断续音 High-Expansion Foam Release 7 短音 1 长音 |
MAX 118dB | ||
| WM | 音乐音 3音 | Sweet Home For Elise Sukoos Waltz Piano Sonata Turkish March |
MAX 118dB | ||
| WA | 警报 音 5音 | Beep. intermittent Door Chime Phone Ring Sound PI.PI.PI.PI. Short Interval Phone Ring Sound |
MAX 116dB | ||
| WV | 声音信号 3ch | 定做产品 (声音录音型产品) |
MAX 113dB | ||
电源线 引入口(CABLE ENTRY)
接线方法
定做产品(-LC型)引出电源线和信号线。

| EX)SCDFS | -WA | -220 | -R | -(P) |
|---|---|---|---|---|
| 型号 | 音调 | 电压 | 颜色 | 保护网 |
| SCDFS | WS(警告音) WP(特殊警告音) WM(音乐音) WA(警报音) WV(声音信号) |
12-DC12V 24-DC24V 110-AC110V 220-AC220V |
无指定(None) 无带保护网的产品 P指定(Order) 带保护网的产品 |
![]() |
地址:上海市宝山区宝林八村101号友谊商务中心313-317室 |
COPYRIGHT 2011 © SHYZCC INDUSTRIES. ALL RIGHTS RESERVED. |